JIS F7375 Cast Iron Globe Stop Check Valve
JIS F7375 Cast Iron Globe Stop Check Valve
- Availability: In Stock
- Product Model: JIS F7375
$0.00
Ex Tax: $0.00
JIS F7375 Cast Iron Globe Stop Check Valve
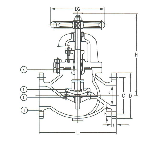
Main Material
1 - Body - Cast Iron - FC20
2 - Seat - Bronze - BC6
3 - Disc - Bronze - BC6
4 - Stem - Brass - C3771BD
Drawing & Dimensions of Globe Stop Check Valve

|
Item NO. |
Size |
L (mm) |
D (mm) |
C (mm) |
Number of Holes |
h |
|
F7375-050 |
50 |
220 |
155 |
120 |
4 |
19 |
|
F7375-065 |
65 |
270 |
175 |
140 |
4 |
19 |
|
F7375-080 |
80 |
300 |
185 |
150 |
8 |
19 |
|
F7375-100 |
100 |
350 |
210 |
175 |
8 |
19 |
|
F7375-125 |
125 |
420 |
250 |
210 |
8 |
23 |
|
F7375-150 |
150 |
490 |
280 |
240 |
8 |
23 |
|
F7375-200 |
200 |
570 |
330 |
290 |
12 |
23 |
|
F7375-250 |
250 |
740 |
400 |
355 |
12 |
25 |
|
F7375-300 |
300 |
840 |
445 |
400 |
16 |
25 |
|
F7375-400 |
400 |
1050 |
560 |
510 |
16 |
N/A |
Our Products

| Introduction | |
| title2 | Manufactured in accordance to JIS F7400 |
| title7 | Flanges as per JIS B2220 - 10K |