Ductile Iron Non Rising Stem Handwheeel Knife Valve
- Availability: In Stock
- Product Model: PZ73X
Ductile Iron Non Rising Stem Handwheeel Knife Valve
TEKO Wafer/Lug Knife Gate Valve are bi-directional with full and plane bore. The high quality sealing and knife bring about a great performance and a long service life.
Knife gate valve with non-rising stem and handwheel are for wastewater treatment, slurry, ash, paper pulp 0℃ to +80℃.
Features
Replaceable top packing gland enables sealing replacement without disassembly of the valve
· The valve is self-cleaning as particles will be pushed off the gate when opening the valve. For extra protection of the packing gland a scraper is available as an optional extra.
· Full bore with no reduction of the flow
· Plane bottom prevents sediment from being accumulated
· No cavity in the body and thus no risk of clogging
· U-shaped one-piece EPDM sealing between the body parts makes up for tolerances in coating and casting. It is reinforced with a steel insert to protect it from being damaged during operation.
· Encaged stem with yokes prepared for mounting of micro switches and inductive censors
· Stem and gate connection is secured with self-locking nuts
· Supports integrated in the body casting protect the gate from deflecting under pressure
· Body of ductile iron with 150 μ fusion bonded epoxy coating.
· Gate, stem, bolts and nuts of acid-resistant stainless steel
· Washers under the bolts protect the coating
· Slim design and low weight
· Available in larger dimensions
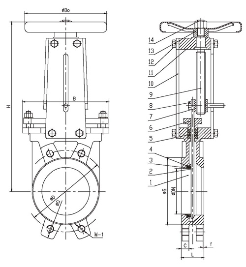
Dimensions

|
DN |
L |
O |
D |
S |
C |
f |
M-1 |
B |
H |
Do |
Weight (KGS) |
|
50 |
40 |
165 |
125 |
95 |
16 |
2 |
4-M16 |
136 |
295 |
180 |
7 |
|
65 |
40 |
185 |
145 |
110 |
16 |
2 |
4-M16 |
151 |
320 |
180 |
8 |
|
80 |
50 |
200 |
160 |
127 |
17 |
2 |
8-M16 |
170 |
340 |
200 |
10 |
|
100 |
50 |
220 |
180 |
148 |
17 |
2 |
8-M16 |
190 |
380 |
200 |
12 |
|
125 |
50 |
250 |
210 |
174 |
17 |
2 |
8-M16 |
212 |
410 |
220 |
15 |
|
150 |
60 |
285 |
240 |
199 |
21 |
2 |
8-M20 |
230 |
476 |
250 |
21 |
|
200 |
60 |
340 |
295 |
250 |
21 |
2 |
8-M20 |
286 |
580 |
300 |
30 |
|
250 |
70 |
395 |
350 |
308 |
24 |
2 |
12-M20 |
338 |
700 |
350 |
45 |
|
300 |
70 |
445 |
400 |
360 |
24 |
2 |
12-M20 |
388 |
910 |
350 |
61 |
|
350 |
96 |
505 |
460 |
416 |
33 |
2 |
16-M20 |
460 |
915 |
400 |
90 |
|
400 |
100 |
565 |
515 |
466 |
35 |
2 |
16-M24 |
520 |
1050 |
500 |
126 |