Resilient Seated API609 Butterfly Valve , Lever Operation Miniature Butterfly Valve
 
                    - Availability: In Stock
- Product Model: D71X
Resilient Seated Stainless Steel Disc Lever Operation API609 Butterfly Valve
Description
Resilient centerline butterfly valves usually serve to cut off medium flow in the piping system, widely applied in the field of potable water, water supply and drainage, sewage disposal, irrigation, air conditioning, fire protection as well as chemical and energy industry. The design of the butterfly valves, however, makes it also suitable to serve as adjusting valve
· Ductile Iron Valve Body
· Stainless Steel Stem
· Fusion Bonded Epoxy Coating
· Disc: DI, Stainless Steel or Al-bronze
· Seat: EPDM/NBR/Fluororubber with backing
Features
· Material:
Body is produced in ductile iron material (EN-GJS-450-10) which provides guarantee for high strength and good corrosion resistance.
Different options of the disc and seat, e.g. disc of DI nickel or nylon 11 coated, different series of stainless steel, Al-bronze, seat in EPDM, NBR or Fluororubber, makes it suitable to be applied under different working conditions.
· Design:
Universal flange connection to DIN EN 1092 PN6/10/16, ASME B16.1 CL 125, ASME B16.1 CL 150, GB9113, JIS B2112 10K, AS 2129 Table E, BS 10 Table D/E. Different options of operation including lever handle, gear box, gear box with tamper switch, electric drive, and pneumatic drive, etc. Different options of rubber seat including insert rubber seat, rubber vulcanized on valve body and boot rubber seat.
· Coating
Fusion bonded epoxy coating provides reliable corrosion resistance.
To achieve higher corrosion resistance, factory is also able to supply Nylon 11 coated disc. Nylon 11 coating is thermoplastic plant coating approved by USDA with high corrosion resistance and antisepsis which can be applied where there is strict requirement for anti-corrosion
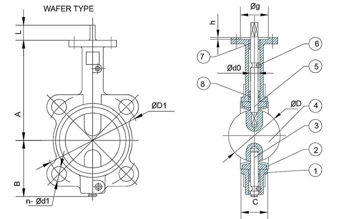
Drawing & Dimensions

| PART | DESCRIPTION | STANDARD MATERIAL | 
| 1 | Body | Cast Iron,Ductile Iron, Carbon Steel, Stainless Steel | 
| 2 | Seat | NBR, EPDM, PTFE, Viton, Neopprene, Hypalon, Silicon | 
| 3 | Low shaft | Stainless Steel 416,316,304 | 
| 4 | Disc | Ductile Iron+Nylon, CF8, CF8+PTFE(PFA), CF8M, CF8M+PTFE(PFA), bronze | 
| 5 | Upper Shaft | Stainless Steel 416,316,304 | 
| 6 | Locating pin | Carbon Steel | 
| 7 | Bushing | PTFE | 
| 8 | Oring | NBr, EPDM | 
